| 检测原理 | 催化燃烧 |
|---|---|
| 检测方式 | 扩散式 |
| 检测范围 | 0~100%LEL |
| 响应时间 | T90<15S |
| 环境温度 | -40℃~+70℃ |
| 相对湿度 | 0~99%RH/无凝结 |
| 传感器寿命 | ≥5年 |
| 防爆标志 | Ex d ⅡC T6 Gb / Ex tD A21 IP66 T80℃ |
| 防护等级 | IP66 |
| 外形尺寸 | 140*196.2*108(WxHxD) |
| 重 量 | 2200克(铝合金壳体) |
| 显示方式 | LCD显示,LED指示 |
|---|---|
| 报警方式 | LED光报警,(可选配爆声光报警器) |
| 调节方式 | 红外遥控器、磁棒 |
| 电源 | 24VDC(15~30VDC) |
| 功耗 | ≤3W(带防爆声光报警器≤5W) |
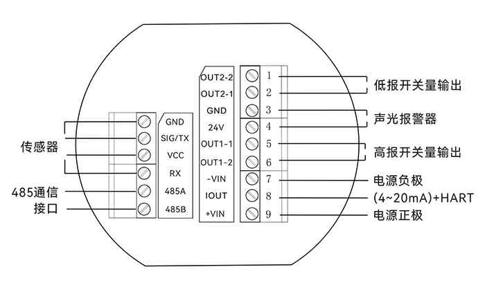
| 输出信号 | 4-20mA(三线制) 4-20mA+HART(选购) 继电器开关量输出(2A 30VDC) 24VDC继电器输出(驱动声光报警器) |
| 传输电缆 | ≤1000m,3(4)×1.5mm²、≤1500m,3(4)×2.5mm² |
| 电气接口 | 两接口,NPT3/4″(F) (可按要求配置不同规格尺寸) |
| 壳体材质 | 铝合金/S316不锈钢 |